Vysokorychlostní analyzátor rafinérských plynů (HSRGA) - Efektivní řešení pro petrochemický průmysl

- Foto: Pixabay/SatyaPrem: Vysokorychlostní analyzátor rafinérských plynů (HSRGA) - Efektivní řešení pro petrochemický průmysl
- Video: Shimadzu: Total Solution for Hydrocarbon Processing
Rafinérský plyn je jedním z typických produktů získaný během destilace ropy. Obsahuje hlavně vodík a lehké uhlovodíky a může se použít jako výchozí surovina v petrochemickém průmyslu, stejně tak jako palivo pro vnitřní použití v rafinérii. Pro určení aplikace rafinérského plynu uvnitř rafinerie je klíčové přesné stanovení koncentrací jeho složek.
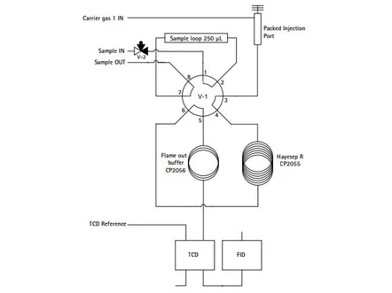
Vysokorychlostní analýza rafinérského plynu (HSRGA z ang. high-speed refinery gas analysis) je nabízena v podobě sestaveného a robustního řešení plynového chromatografu Shimadzu Nexis GC-2030, které poskytuje kvalitní výsledky v krátkém čase. V této konfiguraci přístroje je vzorek rozdělen do tří různých kanálů za použití jednoho FID a dvou TCD detektorů. Nejprve jsou analyzovány permanentní plyny pomocí kapilární PLOT kolony, která zajišťuje řádnou separaci, a poté jsou detekovány v prvním TCD. Uhlovodíky jsou také separovány pomocí kapilární kolony a detekovány FID detektorem. Tento systém nabízí flexibilitu v analýze He a H₂ v druhém TCD detektoru, kde pro lepší detekci je použit dusík jako nosný plyn.
Řešení rychlé analýzy rafinérských plynů (RGA) je postavené na plynovém chromatografu Shimadzu Nexis 2030
V této studii bylo cílem analyzovat vzorek za nejkratší možnou dobu chromatografické separace se spolehlivými výsledky. Navíc byla zkoumána použitelnost této sestavy pro jiné typické produkty v ropném průmyslu, jako byl zemní plyn.
Příprava
Byly použity dvě standardní směsi plynů k potvrzení spolehlivosti přístroje; jeden zásobník se směsí všech sloučenin přítomných v rafinérském plynu (viz Tabulka 1) a druhý s typickou standardní směsí pro zemní plyn (viz Tabulka 2). Oba standardy obsahovaly obvyklé koncentrace očekávané od skutečných vzorků. Zásobníky byly zapojeny do vstupu ventilového boxu GC s řízeným průtokem kolem 30 ml/min.
Tabulka 1 Standardní směs plynů rafinérského plynu (Sloučenina : Koncentrace (%))
- N-hexan : 0,1 %
- Isopentan : 1 %
- Acetylen : 1 %
- Argon : 1 %
- Vodík : 12,5 %
- Allen : 1 %
- Isobutylen : 1 %
- Pentan : 1 %
- (Z)-But-2-en : 2 %
- Etylen : 2 %
- (E)-But-2-en : 3 %
- Oxid uhličitý : 3 %
- Propen : 3 %
- Buta-1,3-dien : 3 %
- Ethan : 4 %
- Butan : 4 %
- Methan : 5 %
- Isobutan : 5 %
- Propan : 6 %
- Dusík : 37,2 %
Tabulka 2 Standardní směs zemního plynu (Sloučenina : Koncentrace (%))
- N-hexan : 0,1 %
- Isopentan : 0,15 %
- Pentan : 0,15 %
- Isobutan : 0,3 %
- Butan : 0,3 %
- Oxid uhličitý : 0,5 %
- Propan : 0,75 %
- Ethan : 2 %
- Dusík : 1 %
- Methan : 94,75 %
Výsledky
Během standardního měření rafinérského plynu jsou jasně identifikovány všechny sloučeniny na všech detektorech (viz Obrázek 2). Dokonce i FID, který detekuje mnoho sloučenin, má velmi dobré rozlišení. Celková doba analýzy je kratší než 6,5 min, jak je uvedeno pro tento systém.
Obrázek 2 - Chromatogramy získané z komplexní analýzy standardu rafinérského plynu pomocí tříkanálového plynového chromatografu.
Hodnoty pro relativní směrodatné odchylky (% RSD) pro každou sloučeninu jsou všechny pod 1 % v případě plochy a pod 0,05 % pro retenční čas v 10 měřeních. Je proto zaručená vysoká reprodukovatelnost výsledků tohoto systému.
Stejná metoda je použita pro standardní měření zemního plynu. Opět jsou získány chromatogramy s dobrým rozlišením píků (viz Obrázek 3).
Obrázek 3 Chromatogramy získané z analýzy standardu zemního plynu (TCD-2 není zobrazen, protože ve třetím kanálu neprobíhá analýza H₂/He)
Zvláště důležitý výsledek je dobré rozlišení mezi methanem (CH₄) a jeho sousedícími píky. Přesná detekce a oddělení píku methanu jsou klíčové, protože jde o hlavní sloučeninu zemního plynu. Stejně tak při analýze zemního plynu je reprodukovatelnost systému vysoká, což ukazuje % RSD pod 1 % pro plochu a pod 0,05 % pro retenční časy. Tyto výsledky ukazují flexibilitu vysokorychlostního přístroje pro analýzu rafinérského plynu, který je také schopen analyzovat různé vzorky (např. zemní plyn) bez nutnosti měnit jakoukoli konfiguraci nebo dokonce dokupovat další vybavení.
Analytické vybavení
Konfigurace přístroje
- Model: Nexis GC-2030
- Příslušenství: Boční ventilový box plné velikosti (pro čtyři instalace různých ventilů)
Hlavní spotřební materiál:
SH-Porapak N column (80/100 mesh, 1/8” x 1 m; P/N 980-18792)
SH-Molsieve 5A (30 m x 0.53 mm x 50 µm; P/N 221-75763-30) SH-10% OV-1 (80/100 mesh, 1/8” x 1 m; P/N 465-01823-01)
SH-Plot Al2O3/S (30 m x 0.53 mm x 15 µm; P/N 465-00285-05)
SH-Molsieve 5A (60/80 mesh, 1/8” x 3 m; P/N 465-00143-03)
Software: LabSolutions LCGC
Závěr
S rostoucí poptávkou po řešeních, která nabízejí rychlou a spolehlivou analýzu rafinérského plynu, je potenciál zařízení typu HSRGA na evropském trhu velmi vysoký. Tento systém je schopen analyzovat všechny typické sloučeniny v rafinérském plynu do asi 6,5 min. Zaručeně tímto řešením ušetříte čas a dosáhnete přesných a reprodukovatelných výsledků.
Kromě toho se také prokázalo, že tento systém lze použít pro analýzu dalších typických produktů v ropném průmyslu jako je zemní plyn, což poskytuje flexibilitu a rozšiřuje pole působnosti pro stejný nástroj.
V neposlední řadě umožňuje dostupnost takového systému v sestavené podobě několik výhod; menší časovou náročnost a jednoduchost instalace a okamžitý provoz.




