František Švec (Počátky a historie ČS HPLC)
_l.webp)
ČSHS: František Švec (Počátky a historie ČS HPLC)
František Švec studoval na VŠCHT v Praze kde obdržel titul ing. a posléze i CSc. v oboru chemie polymerů. V roce 1976 přešel do Ústavu makromolekulární chemie ČSAV kde získal titul Dr.Sc. V roce 1992 se stal členem fakulty na Cornellově Universitě ve Spojených Státech. Od roku 1997 byl pak zaměstnán na Californské Universitě v Berkeley and od roku 2005 pak i v Lawrencově Národní laboratoři v Berkeley. V současné době rovněž působí jako profesor na Pekingské Universitě Chemické Technologie. Během své vědecké kariéry publikoval přes 430 prací, které byly citovány zhruba 23 000 krát, editoval 2 knihy, a stal se spoluautorem na 75 patentech, z nichž některé nalezly uplatnenění v praxi. Jeho h‐index činí 86. V roce 2002 se stal presidentem CASSS (dříve California Separation Science Society). Je též vedoucím redaktorem časopisu Journal of Separation Science a členem redakčních rad významných časopisů v oblasti separačních technik. Z jeho prací jsou nejznámější ty, které se týkají porezních materiálů, zejména pak vývoj monolitických polymerů a jejich aplikací. Za tyto práce obdržel četné ceny včetně ceny Americké Chemické Společnosti.
MOJE VZPOMÍNKY NA CHROMATOGRAFII V ČECHÁCH PO ROCE 1970
Dlužno předeslat, že jsem se zpočátku mých studií o chromatografii vůbec nezajímal. V retrospektivě mohu říci, že to se mnou bylo jako ve známém filmu The Graduate s Dustinem Hoffmanem v hlavní roli, kde mu jeden ze spoluherců říká: “Just one word ... Plastics. Great future in plastics.“ Mně rovněž učarovaly polymery. Po obdržení hrdých titulů Inženýr chemie a poté i Kandidát chemických věd jsem se jako čerstvý odborný asistent na Katedře polymerů VŠCHT v Praze věnoval od počátku sedmdesátých let výzkumu chemických modifikací polymerů směřovaných k novým materiálům. Leč, vše se záhy, alespoň z části, obrátilo. Profesor Jaroslav Kálal, který byl nejdříve mým vedoucím diplomové i kandidátské práce, a posléze jako vedoucí katedry i nadřízeným, obdržel kolem roku 1971 darem od doktora Poláčka z Ústavu fyzikální chemie ČSAV zařízení umožňující tzv. srážecí chromatografii polymerů, tj. metodu původně vyvinutou Bakerem a Williamsem v polovině padesátých let. Princip byl vcelku jednoduchý a zařízení je znázorněno na Obr. 1.
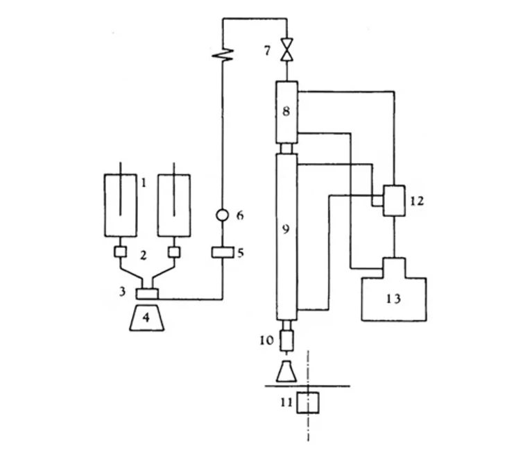
ČSHS: Obr. 1: Schéma zařízení na preparativní frakcionaci polymerů podle Poláčka. 1‐ Nádoby na rozpouštědlo a srážedlo, 2 ‐ solenoidní ventily, 3 ‐ směšovač, 4 ‐magnetické míchadlo, 5 ‐ odplyňovač, 6 ‐ zpětný ventil, 7 ‐ solenoidní ventil k regulaci průtoku, 8 ‐ horní část kolony, 9 ‐ spodní část kolony, 10 ‐ sifon, 11 ‐ sběrač frakcí, 12 ‐ ventilové relé, 13 ‐ termostat.
Polymer se rozpustil a roztok smíchal v baňce s 0,1 mm drobnými skleněnými kuličkami neboli balotinou. Po odpaření rozpouštědla v rotačním odpařováku byl polymer nanesený v tenké vrstvě na skleněném nosiči, konjugát nasypán do horní části kolony, a ta posazena na spodní část. Ovládání ventilů kontrolujících zastoupení rozpouštědla a srážedla v mobilní fázi se dělo mechanickými relé stejně jako kontrola průtoku kolonou. Počáteční mobilní fáze byla bohatá srážedlem a podíl rozpouštědla se pozvolna zvětšoval. Nejprve se tedy rozpustily frakce s nízkou molekulovou hmotností, která pozvolna rostla, jak přibývalo dobrého rozpouštědla. Polymerní molekuly přešly do spodní delší kolony naplněné čistou balotinou, v jejímž plášti se vytvářel gradient teploty řízený termostatem, jenž napomáhal dělení. Celé monstrózní zařízení vysoké kolem 2 m bylo zakomponováno do klece ze železných úhelníků. Tento postup umožňoval získat dostatečné množství polymerní frakce nutné k určení distribuce molekulových hmotností polymerů daleko rychleji, typicky v rozmezí hodin, než tomu bylo u do té doby běžně používaného frakčního srážení, které se táhlo i týdny. Nicméně, jednotlivé frakce získané po odpaření rozpouštědla se stejně musely charakterizovat s použitím jiných metod jako viskozimetrie, rozptyl světla, či vylučovací chromatografie (SEC). Pokud mě paměť nešálí, mnoho výsledků z těchto experimentů nevzešlo a jediným publikovaným v lokálním časopise Sborník Prací VŠCHT bylo dělení kopolymerů vinylchloridu s vinylacetátem, jejž závod v Loděnici u Berouna používal k výrobě gramofonových desek a měl potíže s nestejnou kvalitou jeho dodávek.
Tato kniha vznikla za vzájemné spolupráce České společnosti pro hmotnostní spektrometrii, české pobočky firmy Thermo Fisher Scientific a firmy Pragolab. Vydání bylo realizováno za sponzorského přispění firem Thermo Fisher Scientific a Pragolab.
ČSHS: Česká společnost pro hmotnostní spektrometrii, česká pobočka firmy Thermo Fisher Scientific, firma Pragolab.
Na podzim roku 1972 jsem odjel na jeden rok postdokovat do Karlsruhe k profesorovi Vollmertovi, který byl znám pro své výzkumy v oblasti roztokového chování polymerních molekul, ale i pro teoretická zkoumání vzniku života na Zemi. Zde jsem se plně věnoval přípravě polymerů a o chromatografii jsem ani nezavadil. Po mém návratu zpět na VŠCHT se však situace začala měnit. V naší laboratoři se na zakázku v rámci tzv. vedlejší hospodářské činnosti, která umožňovala získat jistý přídavek k jinak bídnému platu, začaly vyrábět porézní poly(styren‐divinylbenzenové) částice. Účelem bylo připravit náplně do chromatografických kolon určených pro SEC, na jejichž nakupování v západním zahraničí nebyly fondy. Jelikož používaná standardní suspensní polymerizace produkovala směs částic se značnou polydispersitou, bylo nutné z produktu vysít frakce s požadovanou velikostí. To se dělalo za sucha s použitím sít, skrze které se částice doslova protlačovaly pomocí kartáče. Ten byl nejprve na „ruční pohon“, ale když si naše laborantka Máša začala stěžovat na úmornou dřinu, přešli jsme na mechanizaci vyvinutou katedrálním mechanikem. Síta byla přichycena na gramofon, jenž se otáčel nejpomalejší rychlostí 33 ot/min, a místo přenosky byl přidělán kartáč. Produktivita se tím příliš nezvedla, ale Máša mohla dělat užitečnější práci. Setí za sucha však sebou přinášelo i další újmu, protože všude ležela vrstva bílého prachu, tedy částic zvířených setím.
Kolem roku 1973 jsme byli inspirováni začínajícími výzkumy v oblasti reaktivních polymerů ve formě porézních sférických částic aplikovaných např. jako nosiče, katalyzátory, sorbenty, či separační media, jež se právě začala objevovat v literatuře. Naše předchozí zkušenost s lineárními polymery, zejména s polybutadienem obsahujícím reaktivní aldehydové a epoxidové skupiny, jakož i výše popsaná výroba zesítěných porézních poly(styrendivinylbenzenových) částic nás vedla k závěru, že by bylo hříchem se nevěnovat výzkumu na tomto poli. Práci jsme si rozdělili. Zatímco kolegyně Eva Žůrková polymerizovala částice obsahující methakrolein (což často vedlo k pláči, neboť tento monomer je známý lakrymátor), já zkoumal přístupy k makroporézním částicím obsahujícím epoxidové skupiny. Bohužel, epoxidace zbytkových dvojných vazeb ve styren‐divinylbenzenových kopolymerech s použitím perkyselin, jež se tak dobře osvědčila s polybutadienem, nevedla ke kýženému cíli. Z literatury a konzultací s kolegy jsem ale vyčetl, že existuje monomer zvaný glycidylmethakrylát. Ačkoliv v cizině byl komerčně dostupný, u nás se nedal sehnat, a tak jsem si zařídil jeho výrobu sám. Naštěstí to je z methakrylové kyseliny a epichlorohydrinu vcelku jednoduché. Z počátku jsem se však nedokázal odříznout od závislosti na polymeraci styrenu a divinylbenzenu. Porézní poly(styren‐divinylbenzenové) částice měly v Československu velkou tradici a dobré jméno i v zahraničí, jelikož byly zkoumány na vysoké úrovni ve Výzkumném ústavu syntetických laků a pryskyřic v Pardubicích pro účely výroby iontoměničů. Jejich postupy se tedy daly snadno adoptovat a vedly k částicím se žádanými vlastnostmi. Takže jsem nejprve připravoval částice ze směsí všech tří monomerů. Epoxidy v nich byly, jak jsme dokazovali jejich reakcí s aminy, ale nějaké rozumné použití jsme pro ně nalézt nedokázali. Brzy jsme zjistili, že tudy zřejmě cesta nevede a bylo nutné přejít na jinou, kompletně methakrylátovou chemii a namísto divinylbenzenu použít jiné síťovadlo, ethylen dimethakrylát. Jakkoliv se to zdálo snadné, nebylo tomu tak. Směsi a polymerizační podmínky používané se styrenovými monomery zde prostě nefungovaly. Hlavním problémem se ukázalo být nalezení správných rozpouštědel, tzv. porogenů, přidávaných do reakční směsi, aby se dosáhlo požadovaných porézních vlastností. Ani úporné zkoumání různých rozpouštědel nevedlo k cíli. Naštěstí se pomoc našla na Ústavu makromolekulární chemie (ÚMCH) ČSAV na Petřinách, kde Jiří Čoupek, o němž bude ještě řeč, připravoval makroporézní částice z kopolymeru 2‐hydroxyethylmethakrylátu a ethylendimethakrylátu. Po konzultacích s ním a díky jeho radám se mi konečně podařilo můj systém ochotčit a získat požadované částice. První společná publikace pak vyšla v roce 1974 a stala se základem pro dlouhou serii článků zabývajících se různými aspekty těchto materiálů.
Rok 1976 byl pro mne přelomový. Byl jsem totiž vyzván, abych se ucházel o místo vědeckého pracovníka na ÚMCH, což jsem bez váhání učinil, protože pracovní podmínky díky prodané licenci na kontaktní čočky byly v tomto relativně bohatém ústavu mnohem lepší než na VŠCHT. Byl jsem přijat a nastoupil do Laboratoře vedené Jiřím Štambergem, která se po léta zabývala výzkumem ionexů, tedy opět částice. Pro vysvětlení: Ústav byl v té době členěn na vědecká oddělení a ta pak na jednotlivé laboratoře. Ačkoliv těžiště výzkumu celého ÚMCH spočívalo v přípravě a charakterizaci polymerů z 2‐hydroxyethylmethakrylátu, tedy z monomeru, který byl předtím vyvinut profesorem Wichterlem. Jedním z nejznámějších produktů tohoto výzkumu byly právě světoznámé kontaktní čočky. Málokdo ale ví, že tento ústav byl rovněž plodnou líhní na poli chromatografie. Hned několik jeho laboratoří vedených Josefem Jančou, Mirkem Kubínem, Jiřím Štambergem a Jiřím Čoupkem se drahně let angažovalo ve výzkumech souvisejících s chromatografií.
Tak např. Jančova Laboratoř polymerní analýzy se úspěšně zapojila do vývoje metod vylučovací chromatografie, tehdy ještě zvané gelovou permeační chromatografií, určených pro studium polymerů jako byl poly(vinyl chlorid) a jeho kopolymery a stereoisomery produkované v ústavu. Spolu se zdatným pomocníkem, Svatoslavem Pokorným, který později odešel k pražské firmě Watrex, také zkoumali různé vlivy, které mohly ovlivňovat výsledky SEC. Janča sám pak v roce 1978 získal stipendium v rámci výměnného programu ČSAV a Národní akademie věd USA a pobyl rok na universitě v Salt Lake City, kde pracoval pod vedením věhlasného Cala Giddingse. Zde take zahořel láskou k FFF, což je zkratka pro separační metodu zvanou field‐flow fractionation, kterou Giddings vynalezl. Po návratu z USA se však Janča na ÚMCH už příliž neohřál, neboť byl jmenován ředitelem Ústavu analytické chemie ČSAV v Brně, kde pak dál rozvíjel FFF. Po roce 1989 pak odešel do Francie, kde se po krátkém pobytu na Ecole Supérieure de Physique et Chemie Industrielles v Paříži, stal profesorem na Université de la Rochelle. V druhé polovině minulé dekády se pak vrátil do Česka a přijal místo profesora na Universitě Tomáše Bati ve Zlíně, kde dále rozvíjel mikrotermální mód FFF. Na toto téma též napsal vcelku úspěšnou knihu.
Jiřího Čoupka jsem zmínil již výše jako významnou pomoc při mém vývoji makroporézních částic na bázi glycidyl methakrylátu. V době, kdy jsme se poprvé potkali, byl již delší dobu zaměstnancem ÚMCH. Na rozdíl od Janči, který rozvíjel metodiku, Čoupek se soustředil na přípravu separačních medií, specificky na náplně kolon neboli stacionární fáze pro kapalinovou chromatografii. Ti, kdo Jirku znali, ví, že byl velmi agilní, břitký diskutér, plynně ovládal ruštinu, němčinu a angličtinu a snadno navazoval kontakty s jinými lidmi. Angažoval se též politicky, což se mu během normalizace stalo osudným. Chromatografické ostruhy získal během stáže na universitě v německém Mainzu, kde pracoval pod vedením Waltera Heitze na gelové chromatografii malých molekul s použitím kolon plněných poly(vinyl acetátem) zesítěným divinyletherem butandiolu. Po návratu začal vyvíjet svá vlastní separační media a není jistě náhodou, že byla připravována z 2‐hydroxyethylmethakrylátu a ethylen dimethakrylátu. Zatímco suspenzní polymerizace ve vodě nerozpustných monomerů je relativně snadný úkol, práce s vodou rozpustným monomerem, jenž použil, byla výzva. Problém vyřešil vtipnou kombinací obou monomerů s ve vodě nerozpustnými rozpouštědly cyklohexanolem a dodekanolem, která jednak držela 2‐hydroxyethylmethakrylát v organické fázi, a jednak sloužila jako porogen k řízené separaci fází během polymerizace a tvorbě požadované porézní struktury. Výsledky byly poprvé zveřejněny na IUPAC konferenci o makromolekulách ve finských Helsinkách v roce 1973. Nové částice dostaly od Čoupka nejprve jméno Uniflex, které bylo později změněno na Spheron, a nakonec byl komerční produkt zván Separon HEMA. V roce 1976 však spadla klec a Čoupek musel z politických důvodů z ústavu odejít. Naštěstí to nebylo daleko, protože zakotvil o několik bloků dál v národním podniku Laboratorní přístroje. Jeho ředitel, na rozdíl od ústavu, rozeznal obrovský Čoupkův potenciál a zaměstnal ho i přes jeho politický škraloup. V Laboratorních přístrojích Jirka vybudoval výrobnu separačních medií a chromatografických kolon na světové úrovni. Sortiment náplní se rozrostl a posléze zahrnul i funkcionalizované materiály na bázi sférického porézního silikagelu.
Naše spolupráce však jeho odchodem neskončila. Jelikož o naše porézní glycidylmethakrylátové částice byl rovněž velký zájem, dostal jsem možnost zakoupit smaltovaný reaktor s objemem 50 litrů s kotvovým míchadlem, pro nějž jsme však neměli vhodný prostor. Jirka měl místo, ale neměl fondy na zakoupení odpovídajícího reaktoru. Tak jsem se s ním dohodl a reaktor skončil v jeho výrobně v Laboratorních přístrojích s tím, že ho budeme používat společně, což se i stalo. Dozvěděl jsem se, že nedávno se tento veterán vrátil zpět na území ÚMCH. Naše téměř idylická koexistence na Petřinách dokonce vyústila happyendem. Jak Laboratorní přístroje tak i ÚMCH vystavovaly v roce 1979 chromatografické sorbenty a kolony na výstavě Incheba v Bratislavě. S Jirkou jsme se dohodli, že společně podáme tyto exponáty do soutěže o Zlatou medaili Incheby jako důkaz politicky korektní spolupráce vědy a výroby. Kupodivu, porota ocenila tento svazek a medaili zobrazenou na Obr. 2 jsme dostali.
ČSHS: Obr. 2: Zlatá medaile Incheby.
Zatímco Čoupek pokračoval ve vývoji materiálů, potřeboval též rozšířit škálu aplikací z původní SEC představené v roce 1973 na další separační mechanismy, zejména pak na ty umožňující separace biologických polymerů jako jsou bílkoviny, tedy na iontově‐výměnou a afinitní chromatografii. Především bylo nutné zamezit adsorpci bílkovin na povrchu pórů, která, ač mnohem menší než u typických chromatografických sorbentů, stále ještě přesahovala kýžený rozsah. Toho se dosáhlo hydrofilizací s použitím reakce s epichlorohydrinem následovanou hydrolýzou epoxidových skupin vedoucí k diolům. Tak vznikl Separon HEMA‐BIO.
Jakmile byla k dispozici separační media, bylo nutné je zkoušet a vyvíjet metody pro jejich aplikace. Zde se osvědčila letitá spolupráce, kterou Jirka navázal s pracovníky Ústavu organické chemie a biochemie ČSAV Otakarem Mikešem a zejména pak s Jaroslavou Turkovou. Celá plejáda publikací vznikla právě na základě této spolupráce a významně přispěla ke vnesení těchto materiálů jako užitečných pomocníků do podvědomí biochemiků.
Jak jsem již uvedl, Jirka Čoupek byl člověk podnikavý a ve spolupráci s firmou Senetec založil kolem roku 1987, tedy ještě za tuhého socializmu, společný česko‐dánský podnik Tessek, jehož zbožím se staly separační media a kolony. Ani zde se naše interakce nezastavila. Hlavním nedostatkem produkce polymerních chromatografických materiálů klasickou suspenzní polymerizací je obtíž v přípravě co nejmenších částic a široká distribuce jejich velikostí. Pro úspěšnou chromatografii je však třeba mít malé částice v mikrometrovém rozměru s úzkou distribucí. Zatímco velikost částic byla definována použitým zařízením (vzpomeňme 50 l reaktor) i optimalizovaným postupem a nebylo možné ji dost dobře měnit, našly se však prostředky k zúžení distribuce. Přístroj od firmy Alpine v německém Augsburgu to dokázal dost dobře. Nicméně, frakce požadovaných velikostí representovaly pouze část produktu a pro zbytek nebylo upotřebení a musely být většinou vyhozeny. Řešením by byla výroba monodispersních částic. Norský vědec John Ugelstad, s nímž se několikrát potkal, vyvinul metodu, jež poskytovala takové částice. Ty však byly z kopolymeru styrenu a divinylbenzenu a až na výjimky neporézní a v chromatografii nepoužitelné. Během našich diskusí s Jirkou jsme o tomto postupu několikrát mluvili, ale k akci došlo až v roce 1987. V Tesseku byl tehdy zaměstnán mladý muž jménem Vladimír Šmigol, absolvent VŠCHT, který měl zájem si udělat kandidaturu. Dohodli jsme se tedy, že tak může učinit na ÚMCH zatímco bude placený Tessekem, a jako téma si vzít právě přípravu monodispersních částic o velikosti pouhých několika mikrometrů. Tak se i stalo a Vladimír strávil na ústavu tři roky, kdy úspěšně vyvíjel tuto metodu. Vývoj se ovšem uskutečnil pro mě blízké kopolymery glycidylmethakrylátu a ethylendimetakrylátu, protože v Tesseku oblíbený hydroxyethylmethakrylát byl díky rozpustnosti ve vodě nepoužitelný. Po obdržení titulu kandidáta věd pak Šmigol odjel na dvouletou postdoktorální stáž do USA a do Tesseku se na podzim 1993 vrátil pouze na několik měsíců.
Bohužel, v té době nás opustil Jirka Čoupek a nová technologie se nikdy nerealizovala. Tessek byl po roce 1989 koupen kalifornským podnikatelem Melem Ebelingem, který si představoval, že firma bude fungovat na jeho „dálkové ovládání“, což samozřejmě nešlo a Tessek zbankrotoval. Nicméně zdá se, že posléze vstal z mrtvých, neboť jsem nedávno na jednom symposiu viděl stánek Tesseku a existuje i česká webová stránka, kde tato nyní pouze česká firma nabízí původní sortiment sorbentů a kolon, jakož i jisté další služby.
Kubínova laboratoř rovněž byla velmi aktivní ve vývoji chromatografických zařízení a metod. Jak bylo zvykem, soustředili se na použití 2‐hydroxyethylmethakrylátového gelu. Jedna z ranných studií byla věnována tomu, co sami nazvali membránovou chromatografií. Použili 1,5 mm silný proužek 2 % zesítěného gelu, který úspěšně aplikovali k separaci částic např. lidských erytrocytů. Na rozdíl od postupu dnes nazývaného membránovou chromatografií, při níž se separace dosahuje tokem napříč tenkou vrstvou, v Kubínově implementaci to byla metoda ne nepodobná tradiční tenkovrstvé chromatografii. Vzorek sa aplikoval jako „spot“ na začátek proužku a putoval gelem v podélném směru. Jakkoliv byl tento postup originální, věhlasu se nedočkal. Málokdo je rovněž obeznámen s tím, že se v laboratoři Mirka Kubína zrodila i první monolitická kolona, když hledali alternativní materiály, jež by mohly nahradit v té době velmi populární Sephadex používaný při separacích využívajících gelově‐filtrační mechanismus, protože hydroxyethylmethakrylátové gely byly na ústavu připravovány v široké paletě porosit, nebylo od věci vyzkoušet jejich aplikaci i v této oblasti. Houbovitý elastický gel byl připraven radikálovou polymerizaci 22 % vodného roztoku monomeru ve skleněné trubce, poté vyjmut, vyvařen ve vodě, aby se zbavil rozpustných součástí a zasunut do skleněné kolony, v níž byl i použit. Ačkoliv velmi malá průtočnost tohoto gelu dosahující pouhé 4 ml/h i nízká účinnost nedovolily docílit očekávaných separací a systém posloužil jenom pro jednoduché odsolení bílkoviny, tedy separaci velkých molekul od malých iontů, první monolitická kolona byla na světě.
Mirek Kubín se rovněž v polovině sedmdesátých let věnoval teorii SEC. Jeho studie byly relevantní s ohledem na skutečnost, že jednak v té době tyto teorie teprve vznikaly a jednak, že ústav je potřeboval k interpretaci měření polymerů v něm připravovaných.
Spolu s vědeckým aspirantem Stanislavem Vozkou též vyvinuli unikátní HPLC kolony z tvrzeného skla s použitím výměny sodných iontů skla za větší draselné při vysoké teplotě. Kromě dalších výhod např. vzdorovaly tlakům do 30 MPa, což bylo mnohem více než komerční skleněné kolony a také umožňovaly pozorovat průchod separovaných zón kolonou, byly‐li vidět. Laboratorní přístroje, kam později Vozka nastupil k Čoupkovi do zaměstnání, a poté i Tessek, komercializovaly tyto kolony. Za poznámku stojí, že známá sklářská firma Corning používá podobný postup k výrobě Gorilla Glass, skla, které se vyznačuje odolností vůči poškrábání a je dnes široce používáno v displejích mobilních telefonů.
V roce 1990 se Standa Vozka osamostatnil a založil firmu s poněkud kontroverzním názvem Labio, která se usadila v suterénu ÚMCH, kde sídlila až do nedávna. Vyráběli tam hlavně cenově přístupný hardware pro kapalinovou a plynovou chromatografii, jakož i kolony a separační media z porézního silikagelu nyní prodávané pod značkou Labiogel. V roce 2010 se pak firma pod novým vlastníkem přestěhovala do jiného místa na Petřinách.
Ještě na VŠCHT jsme začali zkoumat funkcionalizace našich glycidylmethakrylátových částic. Tyto práce zajímaly docentku Elišku Kálalovou, manželku již zmíněného a nedávno zesnulého profesora Kálala, která byla docentkou na Katedře anorganické chemie VŠCHT a věnovala se komplexům kovů. Naše částice s chelátotvornými skupinami ji zaujaly a záhy vznikla plodná spolupráce, která vyústila v sérii mnoha publikací na téma komplexotvorných sorbentů. Naše spolupráce se rozvíjela i po mém přechodu na ÚMCH. Jedním z pokročilých témat bylo měření kinetiky difúzního přenosu hmoty do pórů našich částic a kinetiky samotné komplexační reakce. Naší skupinku doplnil Miloš Marek z Katedry chemického inženýrství VŠCHT, jemuž takovéto výpočty byly denním chlebem. Část této studie byla zpracována s použitím částic různých velikostí, ale pro přesnější měření difúze by bylo lepší použít tenkou vrstvu ze stejného polymeru, jako byly částice zabudované ve speciální dvoukomorové aparatuře. Naštěstí jsem věděl, že Jiří Vacík v ÚMCH dělal podobné pokusy s difúzí skrze poly(hydroxy methakrylátové) gely a vrstvy připravoval v doma vyrobené formě sestávající ze dvou hliníkových desek, v nichž byly kanály pro vyhřívání termostatovanou vodou, a na nichž byla nalepena polypropylénová folie bránící nalepení polymeru na povrch hliníku. Mezi tyto dvě desky byla položena polypropylenová vložka, jejíž tlouštka definovala sílu polymerní vrstvy. Tuto formu jsem si od Jirky půjčil a připravil několik polymerů ve formě vrstvy. Pokusy pak pokračovaly, leč vrstvy se nechovaly, jak by se očekávalo, k čemuž jsme tehdy nenašli vysvětlení. Studie se tedy týkala jenom pokusů s částicemi, byla v roce 1980 opublikována a zájem o porézní vrstvy opadl.
Leč, všeho do času. Další impuls k jejich vývoji přišel z leningradského Ústavu makromolekulárních látek Akademie věd SSSR, kde profesor Boris G. Běleňkij studoval chromatografii bílkovin v gradientově‐elučním módu, při níž použil celou řadu separačních médií i kolon lišících se geometrií. Zjistil přitom, že pouze jistá, většinou velmi slabá vrstva sorbentu v koloně je postačující k dokonalé separaci, což vedlo k odvození teorie krátkých separačních loží. Příprava krátkých kolon potřebných pro experimentální ověření této teorie s použitím drobných částic se však ukázala velice obtížnou, protože jejich tenké vrstvy byly přiliš neuspořádané a obsahovaly četné kanály. Nezbylo mu tedy než se poohlédnout po separačních mediích nového typu. Někdy v polovině osmdesátých let se Běleňkij objevil v Praze a při návštěvě ÚMCH mi o jeho teoriích zapáleně vyprávěl. Rovněž se ptal, jestli bych nevěděl o způsobu, jak jeho problém s krátkými vrstvami obejít. Nějak mi sepnulo a vzpomněl jsem si na naše porézní desky. Hbitě jsme jich opět několik udělali a poslali k testování. Fungovaly, skutečně umožnily potvrdit teorii a docílit chromatografické separace bílkovin s tehdy nevídanou rychlostí. K jejich dokonalosti však ještě něco chybělo a bylo tedy na nich ještě třeba zapracovat. Chvíli jsme tak činili posíláním destiček většinou po poslu, tedy osobě z ústavu, která měla do Leningradu namířeno kvůli něčemu jinému. O výsledcích jsme buď korespondovali velmi pomalou poštou, nebo diskutovali při občasných vzájemných návštěvách. Tento způsob byl ovšem velmi nepraktický a pomalý. Aby se výzkum urychlil, dohodli jsme se s Běleňkim, že do Prahy pošle na rok jednu svoji mladou spolupracovnici. Vskutku, Tatiana Tennikova se v roce 1987 objevila v Praze, kde ale zůstala téměř 4 roky. Výzkum pak nabral na obrátkách a monolitické disky pro chromatografické
separace bílkovin se staly realitou. Tatiana je nyní profesorkou na universitě a zástupkyní ředitele petrohradského Ústavu makromolekulárních látek Ruské akademie věd a dodnes pracuje s disky.
Za poznámku snad ještě stojí, že jsem nápad s použitím porézních desek k separacím konzultoval i s Mirkem Kubínem. Ten mne zrazoval od těchto experimentů, jelikož byl poučen jeho málo úspěšným použitím monolitického hydrogelu a též proto, že si uměl představit problémy značného tlaku potřebného k docílení toku v nepatrných pórech typických pro normální makroporérní častice. Opak se však ukázal pravdou. Docílit tok našimi disky bylo snadné a potřebné tlaky minimální. Měření totiž ukázala, že porézní struktura desek připravených polymerizací v bloku je významně odlišná od té pozorované v suspenzně polymerizovaných částicích. To nám také se zpožděním vysvětlilo, proč počáteční pokusy s měřením difúze malých iontů nedávaly žádný smysl.
Příprava našich desek, kterým se teď obecně říká monolity, byla jednoduchá. Získávaly se radikálovou polymerizací směsi, jež obsahovala monovinylický monomer s funkční či reaktivní skupinou jako je styren‐, butyl‐ či glycidylmethakrylát, zesíťovadlo, typicky monomer se dvěma či více dvojnými vazbami např. divinylbenzen nebo častěji ethylendimethakrylát, iniciátor, a porogenní rozpouštědla. Tato směs se naplnila do formy buď plochého, nebo válcovitého tvaru, kde po zahřátí zpolymerizovala. Po vyjmutí se pak z desky či roubíku vyrobily mechanickým obráběním disky. Nebylo‐li možné získat disk s požadovanými funkčními skupinami přímou polymerizací odpovídajícího monomeru, v následujícím kroku se chemicky modifikovaly. Dodnes se většina diskových separačních medií připravuje z glycidylmethakrylátu a ethylendimethakrylátu, přičemž první z těchto monomerů umožňuje jejich snadnou modifikaci a uplatnění v celé plejádě technik zahrnujících obráceněfázové, iontově‐výměnné, hydrofobně‐interakční a bioafinitní separace.
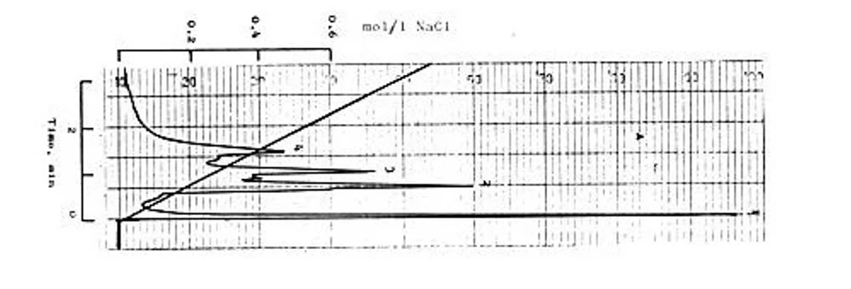
ČSHS: Obr. 3: Gradientová eluce bílkovin
Disky jsme vkládali do po domácku, pro tento účel vyvinutého pouzdra a celá jednotka pak sloužila k separacím. Naše aktivity se nejprve soustředily na iontově výměnný mechanismus separace bílkovin gradientovou elucí. Obr. 3 ukazuje jednu takovou separaci na autentickém záznamu pořízeném na x‐y zapisovači, proto je časová osa zprava doleva, který byl napojen na jednoduchý UV detektor. Záhy jsme pak shromáždili dostatek výsledků a v roce 1988 jsme zaslali náš první rukopis, v němž jsme popsali disky a novou separační metodu, kterou jsme nazvali vysokoúčinnou membránovou chromatografií (HPMC), do Journal of Chromatography. Tam trvalo téměř celý rok, než nám sdělili, že článek neopublikují. Recenzenti nepovažovali tuto práci za dostatečně důležitou. Dodnes si rvu zbývající vlasy, že jsem si dopis s negativním rozhodnutím neschoval. Byl by krásným dokladem toho, jak mohou být recenzenti krátkozrací. Takže k opožděnému opublikování došlo až v roce 1990 v časopise Journal of Liquid Chromatography. V náš prospěch hovoří skutečnost, že jsme hbitě obdrželi na 300 žádostí o separát, tedy o kopie publikace, jež jsme tenkrát autorům poslali.
Na rozdíl od recenzentů, průmyslová komunita téměř okamžitě rozeznala potenciál naší metody využívající separační media v netradičním tvaru, a to jak na základě naší publikace, tak i díky presentacím posterů na symposiích. Posterů, protože na ústní přednášku jsme v té době nebyli ještě dost známí. Zástupci firmy Knauer GmbH se sídlem v Západním Berlíně se objevili v Praze a po krátkých jednáních zakoupili licenci na produkci a prodej disků. Záhy nato pak Knauer oddělil dceřinou společnost Säulentechnik GmbH, kde začal vývoj, při němž jsme já i Tatiana Tennova významně asistovali. První Quick‐Disks®, jak byl produkt nazván, se dostal na trh v roce 1991. Nicméně shodou okolností, spočívajících podle mého názoru v nekompetentnosti vedení, firma Säulentechnik zkrachovala a licence propadla.
Jeden z původních zaměstnanců této firmy, který technologii dobře znal, ale který firmu opustil dávno před jejím krachem, byl Chorvat Djuro Josič. Ten se zase znal s mladým ředitelem malé firmy BIA ve slovinské Lublani a o technologii mu pověděl. Ten k ní zahořel láskou, BIA zakoupila v Praze licenci a zahájila vývoj. Její situace byla o trochu snazší než u předešlého nabyvatele licence, protože už věděli, kde na ně čekala úskalí. Během krátké doby vyvinuli sérii materiálů, které se dostaly na trh a nesly obchodní značku CIM® Disks. BIA pak pokračovala ve vývoji nových formátů i chemických složení a dneska hraje důležitou roli ve výrobě separačních jednotek pro downstream processing v biotechnologických výrobách.
Zde končí můj výlet do historie české chromatografie, jak jsem jí viděl a prožil já během zhruba dvaceti let po roce 1970. Bylo pro mne zajímavé se v duchu vrátit do té doby a namáhat paměť, protože písemné doklady, jako že bych si např. psal deník, nemám. A ty, co jsem snad měl, vzaly bohužel během časů za své. Trochu též pomohlo zkoumání dobových publikací hlavních aktérů. Toto říkám proto, že některé z mých postřehů nemusí být úplně správné a proto, že jejich pravdivost jsem, k mé neskonalé lítosti, už neměl s mnohými těmi, o kterých píši, možnost konzultovat.


_s.webp)
_s.webp)
_s.webp)
_s.webp)