Rychlá analýza skleníkových a anorganických plynů pomocí Shimadzu GC-2030

- Foto: Shimadzu: Rychlá analýza skleníkových a anorganických plynů pomocí Shimadzu GC-2030
- Video: Activated Research Company: Fireside Chat - Shimadzu - Greenhouse Gas Analyzers - Ian Shaffer (1)
Vytvořili jsme novou metodu pro rychlou analýzu skleníkových plynů, které zachycují IR energii v atmosféře a způsobují skleníkový efekt. Přesné a spolehlivé monitorování emisí a změn hlavních skleníkových plynů v atmosféře je zásadním krokem v celkovém pochopení a kontrole klimatických faktorů.
Níže popsaný systém plynového chromatografu umožňuje kvalitativní a kvantitativní analýzu:
- třech hlavních skleníkových plynů - metan, oxid uhličitý a oxid dusný
- lehkých uhlovodíků - etan a etylen
- anorganických plynů - vodík, kyslík a dusík
Přístrojové vybavení
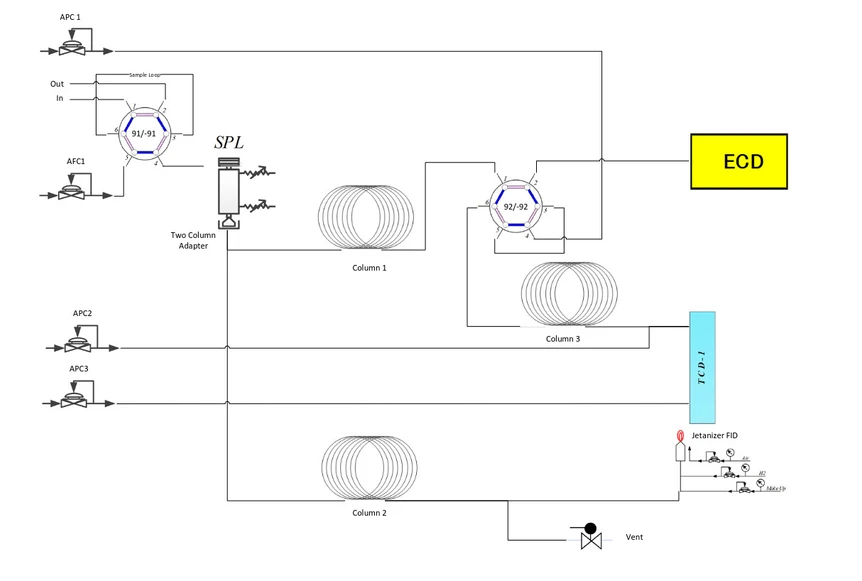
Přístroj Shimadzu GC-2030 je vybaven:
- Třemi kapilárními kolonami
- ECD detektorem
- FIDdetektorem s Jetanizérem (metanizérem ve formě FID trysky)
- TCD detektorem
- 6ti-portovým ventilem se vzorkovací smyčkou
- 6ti-portovým přepínacím ventilem
Kromě toho je na FID kanál instalován solenoidový další ventil, který umožňuje "heart cut" analytů, jako je sirovodík nebo acetylen, před elucí do Jetanizeru-FID. Šesticestný přepínací ventil se používá pro kvantifikaci k odklonění anorganickéch plynů do TCD detektoru. Schématický diagram přístroje je uveden na obrázku níže.
Shimadzu: Schéma analyzátoru skleníkových a anorganických plynů
Systém je navržen tak, aby vyhovoval různým typům vzorků, včetně kanystrů, Tedlar vaků a nebo nástřiků plynotěsnou injekční stříkačkou prostřednictvím ručního nástřiku nebo z autosampleru. Po přidání autosampleru AOC-6000 Plus lze odebírat vzorky přímo z Exetainer vialek, což umožňuje zvýšit produktivitu a usnadnit odběr vzorků.
Experimentální část
Pro demonstraci výkonnosti systému konfigurovaného na klíč pro tuto aplikaci byly analyzovány čtyři standardy. Kalibrační křivky, meze detekce a meze kvantifikace byly vypočteny na základě těchto čtyř standardů.
Podmínky metody
Podmínky metody byly optimalizovány pro separaci kompozitního píku oxidu uhličitého a oxidu dusného. Kanál ECD byl načasován tak, aby se nejdříve anorganické plyny odklonily a separovaly na kanále TCD a šesticestný přepínací ventil se opět přepl a pokračovala eluce oxidu dusného do ECD detektoru.
Selekční ventil na Jetanizer/FID kanále byl načasován tak, aby odklonil acetylenu do odpadu, nicméně lze pomocí Jetanizeru/FID acetylen v případě potřeby kvantifikovat. Opakovatelnost přístroje, jakož i vypočtené limity detekce a kvantifikace byly stanoveny na základě třech nástřiků standardu 1 a standardu 3. Reprezentativní chromatogramy standardu 1 a standardu 4 s různými detektory jsou zobrazeny na chromatografech níže.
Shimadzu: Chromatogram Standardu 1 na kanále Jetanizer-FID
Shimadzu: Chromatogram Standardu 4 na kanále Jetanizer-FID
Shimadzu: Chromatogram Standardu 1 na kanále TCD
Shimadzu: Chromatogram Standardu 4 na kanále TCD
Shimadzu: Chromatogram Standardu 1 na kanále ECD
Výsledky
S plně rozlišenými píky pro oxid uhelnatý, metan, oxid uhličitý a etan, ethylen, vodík, kyslík, dusík a oxid dusný a fluorid sírový bylo dosaženo s optimalizovanými podmínkami doby analýzy kratší než 8 minut.
Kalibrační křivky analytů byly vytvořeny s použitím čtyř standardů. Lineární regresní křivky byly vytvořeny pro všechny analyty na FID s hodnotou R2 0,99999 nebo lepší a s hodnotou 0,99 nebo lepší pro všechny analyty na TCD. Pouze u analytů s jednobodovou nebo dvoubodovou kalibrační křivkou nebylo možné vytvořit smysluplnou hodnotu R2 a nejsou proto uvedeny.
Systém vykazoval opakovatelnost pod 1,5 % relativní směrodatné odchylky pro všechny analyty s výjimkou analytu metanu na chvostu většího píku oxidu uhelnatého.
Vypočtené meze stanovitelnosti jsou pod 0,4 ppm pro všechny složky na Jetanizer- FID. Na ECD je vypočtená mez stanovitelnosti pro oxid dusný 10 ppb. Mez stanovitelnosti pro fluorid sírový a mez detekce pro oxid dusný a hexafluorid síry nebyly vypočteny z důvodu vysokých koncentrací těchto analytů ve standardech. Vypočtené meze stanovitelnosti na TCD byly 8 ppm pro vodík a 80 ppm pro kyslík, a 110 ppm pro dusík. Vypočtené LOQ a LOD spolu s retenčním časem, průměrnou plochou píku s %RSD a S/N jsou uvedeny v tabulkách v kompletní aplikaci.
Závěr
Kapilární systém pro skleníkové plyny poskytl vysoce opakovatelnou a rychlou analýzu. Díky metodě do 8 minut pro oxid uhelnatý, metan, oxid uhličitý, etylen, etan, oxid dusný, hexafluorid síry, vodík, kyslík a dusík lze dosáhnout vysoké produktivity s vynikající citlivostí a linearitou. Konfiguraci je možné rozšířit jak o možnost kvantifikace dalších analytů, tak o možnost začlenění autosampleru AOC-6000 Plus pro vzorkování přímo z vialek Exetainer.
Tento GC systém s jednoduchou metodou využívající nezávislé kolony pro každou analytickou linii a možnost "heart cuttingu" představuje vysoce citlivý, opakovatelný, lineární a robustní systém pro zajištění rychlé analýzy skleníkových a anorganických plynů.
Přehled nejnovějších aplikací od Shimadzu pro analýzu skleníkových plynů v knihovně LabRulezGCMS
Rapid Greenhouse Gas Analysis via the Nexis GC-2030 Gas Chromatograph (Aplikace | 2021)
Rapid Greenhouse Gas Analysis via the NexisTM GC-2030 Gas Chromatograph (Aplikace | 2021)
Rapid Greenhouse and Inorganic Gas Analysis via GC-2030 (Aplikace | 2022)
Simultaneous Analysis of Three Greenhouse Gas Components, CH4, CO2, and N2O (Aplikace | 2023)
Analysis of SF6 Insulation Gas Using a GC-BID System (Aplikace | 2018)
The Trace Level Alcohols in Hydrocarbon Streams via GC-FID (Postery | 2021)
High Resolution Analysis of Gases Related to Air Pollution and Global Warming (Aplikace | 2022)
Evaluation of the Deliciousness of Artifcial Meat (Příručky | 2021)
Solutions for Environmental Analysis - Application Notebook (Aplikace, Příručky | 2018)




